電話:021-62522001
作者:黑金剛電容 發布時間:2020-08-05 11:27:45 訪問量:6336 來源:NIPPON CHEMI-CON
黑金剛電容貼片型鋁電解電容器 MZL系列
●低ESR、保證105℃5,000小時。
●額定電壓:6.3~50V。
●靜電容量:100~1,500μF。
●可對應耐振構造產品。
●符合AEC-Q200。詳情請另行咨詢。
◆規格表

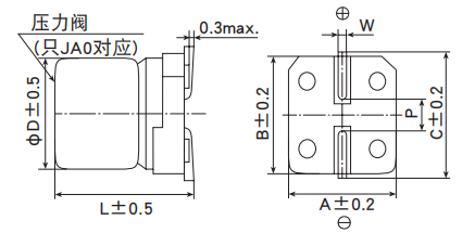
◆尺寸圖 (CE32形)[mm]
●端子代碼:A

●端子代碼:G (耐振構造)


◆標示

●產品的額定電壓標示

注:施加超過浪涌電壓的電壓 , 不僅會造成壽命變短 , 也有發生短路的情況。請檢討不要超過額定電壓及上述浪涌電壓條件的保護電路。
◆產品型號體系

產品型號代碼的詳細介紹請參考「產品型號的表示方法 ( 貼片型 )」。
◆標準品一覽表

□內為端子代碼。
◆額定紋波電流頻率修正系數
紋波頻率與標準品一覽表的規定值相異時,請使用小于乘以下表系數所得之值的值
●頻率修正系數

※鋁電解電容器由于在紋波電流疊加時自我發熱,溫度上升而老化, 每升溫5℃壽命減少一半。 要想保持長壽命請在使用過程中降低紋波電流。
上海櫻拓貿易有限公司是一家主要從事電子元器件代理銷售和技術支持的專業公司,其中是日本NIPPON CHEMI-CON(NCC電容|黑金剛電容)中國區總代理。
相關資訊推薦:
聲明:本文由櫻拓貿易收集整理關于 黑金剛電容相關的《黑金剛電容貼片型鋁電解電容器 MZL系列》,如轉載請保留鏈接:http://www.gzfzyxgs.com/news_in/585。
下一篇:介紹黑金鋼電解電容的特點和用處